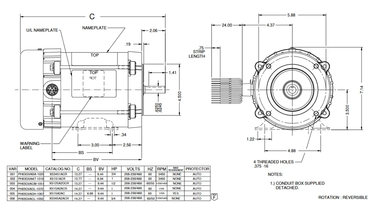
- 1 hp 1800 RPM, 3.2-3.1/1.5 amps 208-230/460 Volts 60 Hz Three Phase Motor
- NEMA 56C Rolled Steel Frame, Keyed Shaft 5/8″ Diameter x 1 7/8″
- Service Factor: 1.15, Overload protection = Auto
- C-Face Mount, Ball Bearings, Class B Insulation, Reversible
- 1 Year Manufacture Warranty
General purpose Division 1 hazardous location motor for class 1 group CD, class 2 group EFG. Wiring diagram on motor name plate. TEFC = Totally Enclosed Fan Cooled. PH63ABL1114015B















Reviews
There are no reviews yet.