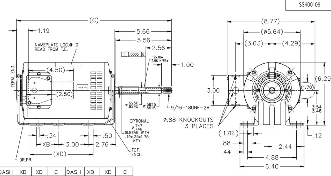
- 1/2 hp 1800 RPM, 8.0/4.0-4.0 amps, 115/208-230 Volts 60 Hz, PSC
- NEMA 56Z Frame Special Shaft 5 5/8″ x 5/8″ Diameter, 1 speed
- Service Factor = 1.25, Thermal Protection = Auto
- Resilient Base, Reversible, Ball Bearings, Class B insulation
- 1 Year Manufacture Warranty
Replaces Huebsch gas commercial laundry dryer motors, control wires must be installed for motor to operate correctly.
Blower motors are used to blow air inside of buildings. Shaft may be vertical or horizontal. ODP = Open Drip Proof
Marathon Model 056C17D2102



















Reviews
There are no reviews yet.