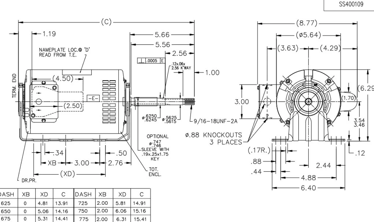
- 1/3 hp 1800 RPM, 5.8/2.8-2.9 amps, 115/208-230 Volts 60 Hz, PSC
- NEMA 56Z Frame Special Shaft 5 5/8″ x 5/8″ Diameter, 1 speed
- Service Factor = 1.35, Thermal Protection = Auto
- Resilient Base, Reversible, Ball Bearings, Class B insulation
- 1 Year Manufacture Warranty
Blower motors are used to blow air inside of buildings. Shaft may be vertical or horizontal. ODP = Open Drip Proof. 056C17D2101. Replaces Huebsch commercial laundry dryer motors



















Reviews
There are no reviews yet.