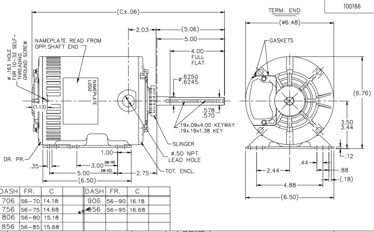
- 1 hp 1075 RPM, 4.0-4.2/2.1 amps, 208-230/460 Volts 60 Hz, 3-Phase
- NEMA 56Z Frame Keyed Shaft 5/8″ Diameter x 5″
- Service Factor = 1.0, Thermal Protection = Automatic
- Rigid Base, Reversible, Ball Bearings, Class H insulation
- 1 Year Manufacture Warranty
Condenser Fan Motors are used in air conditioning coolant condenser units usually found outdoors. Shaft may be vertical or horizontal. OPAO = Open Air-Over so motor must be in air-stream. 056T11O5305



















Reviews
There are no reviews yet.