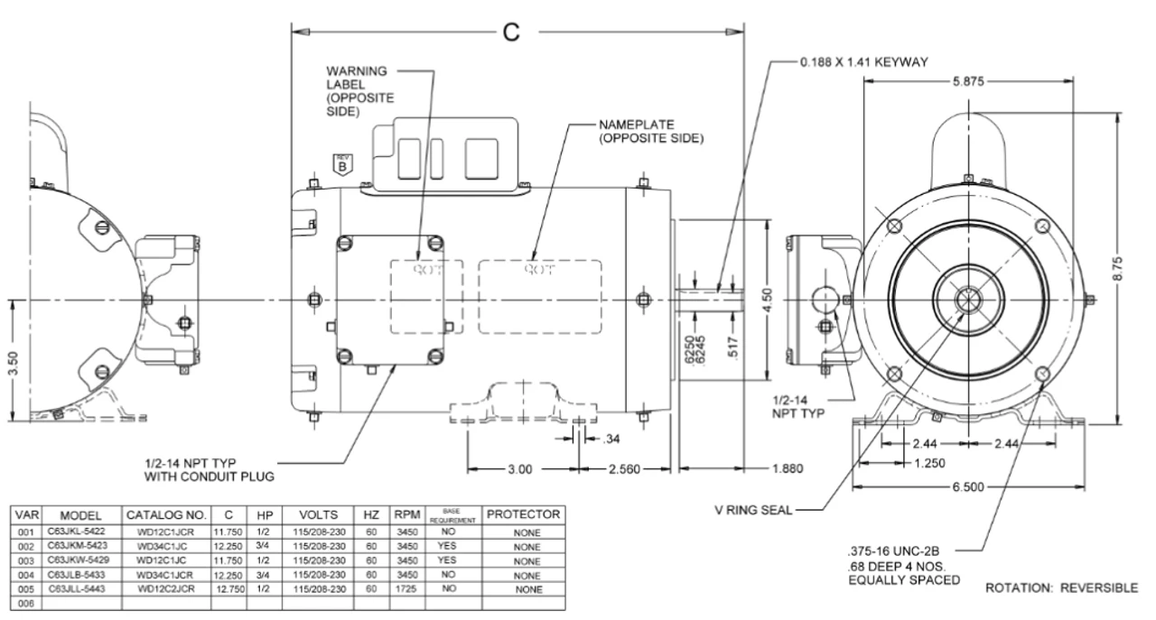
- 1 1/2 hp 3600 RPM, 14.6/8.1-7.4 amps 115/208-230 Volts 60 Hz Capacitor Start/Run Single Phase Motor
- NEMA 56HC Rolled Steel Frame, Keyed Shaft 5/8″ Diameter x 1 7/8″
- Service Factor: 1.15 Overload protection = None
- C-Face Mount, Ball Bearings, Class F Insulation, Reversible
- 1 Year Manufacture Warranty
White epoxy coated wash-down motor for food and pharmaceutical applications. Wiring diagram on motor name plate. TEFC = Totally Enclosed Fan-Cooled. T063DFK1707015B















Reviews
There are no reviews yet.