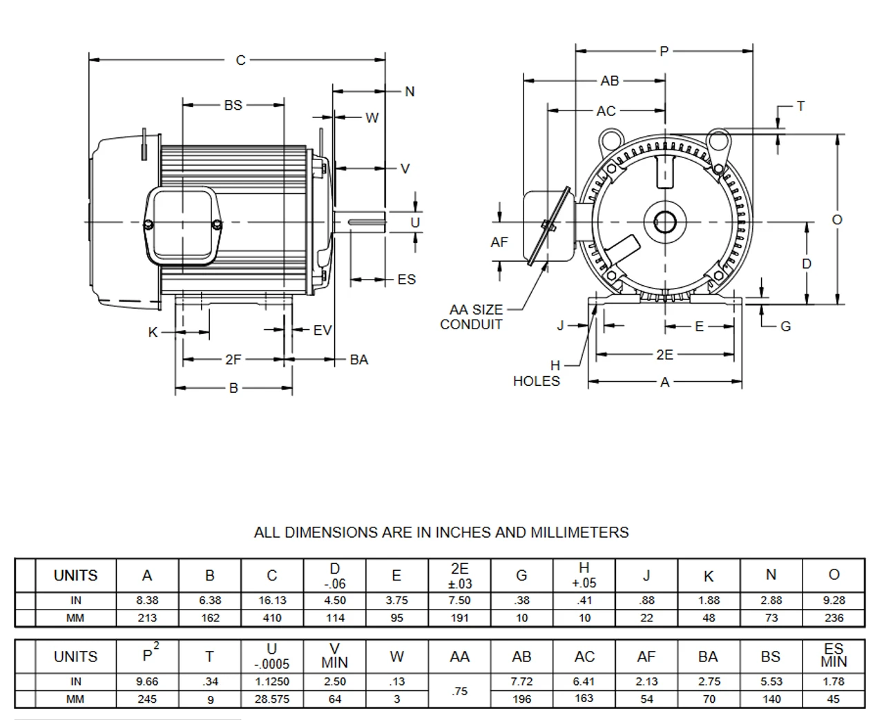
- 3 hp 1800 RPM, 3.2 amps 575 Volts 50/60 Hz Three Phase Motor
- NEMA 182T frame Keyed Shaft 1 1/8″ Diameter x 2 1/4″
- Service Factor: 1.25, Overload protection = None
- Rigid Base Mount, Ball Bearings, Class F Insulation, Reversible
- 1 Year Manufacture Warranty
General purpose motor can be used for many applications requiring a three phase electric motor. Wiring diagram on motor name plate. TEFC = Totally Enclosed Fan cooled. AT30














Reviews
There are no reviews yet.