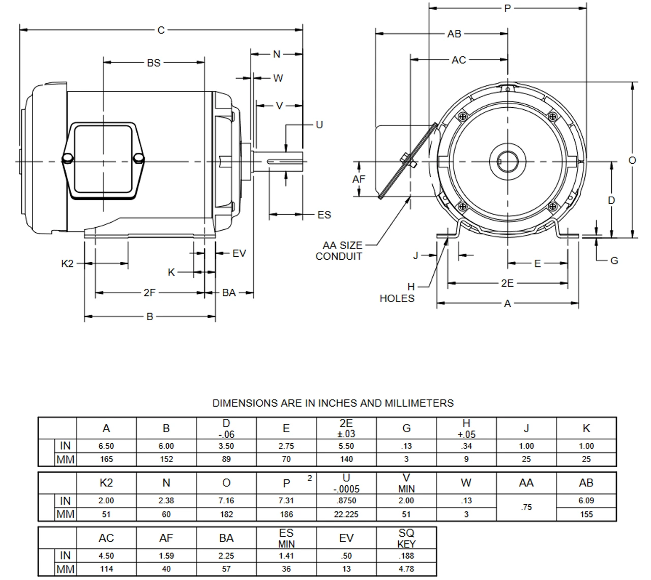
- 1 hp 1800/900 RPM (2 speed), 1.8 amps 460 Volts 60 Hz Constant Torque Three Phase Motor
- NEMA 145T frame Keyed Shaft 7/8″ Diameter x 2 1/4″
- Service Factor: 1.15, Overload protection = None
- Rigid Base Mount, Ball Bearings, Class F Insulation, Reversible
- 1 Year Manufacture Warranty
This 3-phase, two winding motor is designed for use in 2-speed applications requiring constant shaft torque. Wiring diagram on motor name plate. TEFC = Totally Enclosed Fan cooled. C879















Reviews
There are no reviews yet.