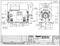
- 3/4 hp 1725 RPM, 10.6/5.5-5.3 amps, 115/208-230 Volts 60 hz.
- 1-Speed
- Shaft 5/8″ x 1-7/8″
- Rotation – Reversible
- 56 Frame | 5-5/8″ Dia. Motor
- Capacitor Start Motor
- Ball Bearings
- Automatic Overload Protection
- Extended thru bolts shaft end
- Service Factor 1.25
- Length Less Shaft 9 27/32″
- Continuous Duty, Open Drip Proof, Class B Insulation
- CSA Certified
- 1 Year Manufacture Warranty
Replaces Greenheck 306042
Fits Dayton Ventilators 3ATU2, 3ATU4, 5PV06


















Reviews
There are no reviews yet.