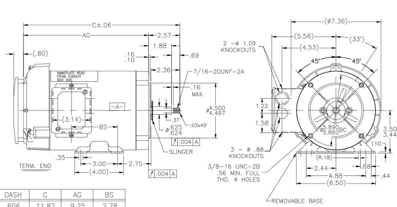
- 1 hp 3600 RPM, 3.0/1.5 amps, 230/460 volts, 3 phase
- NEMA 56J Frame, 5’8″ dia. by 1-5/8″ long threaded stainless steel shaft, 60 Hz
- Service Factor: 1.15, Overload protection: None
- Rigid base, Reversible rotation, Ball Bearings; Class B Insulation
- 1 Year Manufacture Warranty
Spa pump motor. Not for pool use due to lack of suction cut-off. TEFC = Totally Enclosed Fan-Cooled, 056T34F99029



















Reviews
There are no reviews yet.