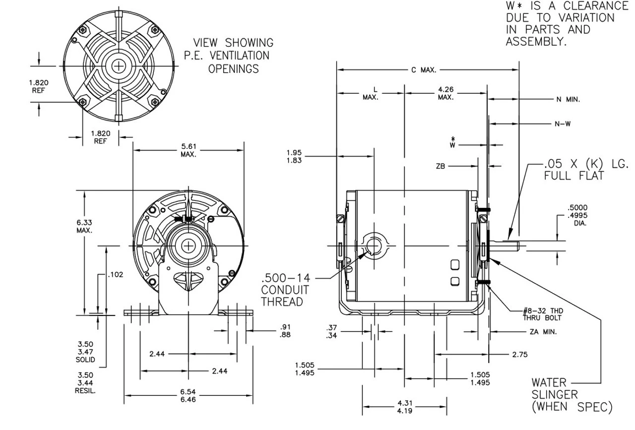
- 1/3 hp 1800/1200 RPM, 6.0/3.8 amps, 115 Volts 60 Hz, Split Phase
- NEMA 56Z Frame flat Shaft 2″ x 1/2″ Diameter, 2 speed
- Service Factor = 1.0, Thermal Protection = Auto
- Resilient Base, Reversible, Ball Bearings, Class B insulation
- 1 Year Manufacture Warranty
Blower motors are used to blow air inside of buildings. Shaft may be vertical or horizontal. ODP = Open Drip Proof. 5KH37PNA569T



















Reviews
There are no reviews yet.