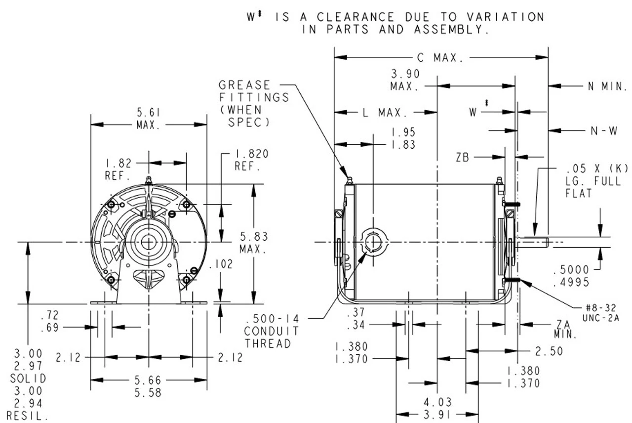
- 1/4 hp 1500 RPM, 3.4 amps, 220 Volts 50 Hz, Split Phase
- NEMA 48 Frame flat Shaft 1 1/2″ x 1/2″ Diameter, 1 speed
- Service Factor = 1.0, Thermal Protection = None
- Resilient Base, Reversible, Ball Bearings, Class B insulation
- 1 Year Manufacture Warranty
Blower motors are used to blow air inside of buildings. Shaft may be vertical or horizontal. ODP = Open Drip Proof. 5KH39QNB810

















Reviews
There are no reviews yet.