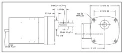
- 1/20 hp, 95 RPM, 0.62 amps, 115 volts, 60/50HZ.
- Run Torque 30 inch pounds
- Over Hung Pounds = 90
- Rotation = Reversible
- Shaft: 1/2″ x 1″
- Thermal Protection = None
- One Year Manufacture Warranty
Suggested replacement reference for: 019-102-0017, Capacitor included, Optional mounting bracket available Model 2A754, Optional Magnetic Disc Brake available Model 5X400, Optional conduit box available # 4JV45.

















Reviews
There are no reviews yet.