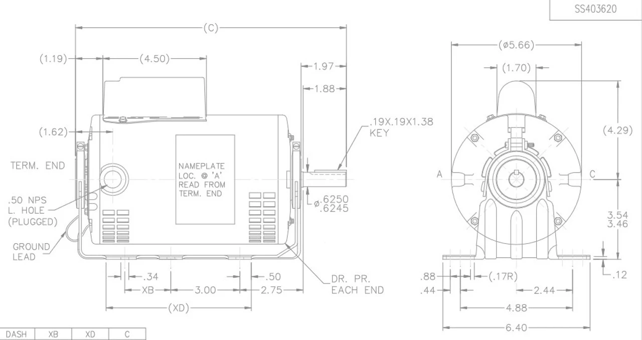
- 1 hp 3600 RPM, 12.0/6.2-6.0 amps, 115/208-230 Volts 60 Hz, Capacitor Start
- NEMA 56 Frame Keyed Shaft 1 7/8″ x 5/8″ Diameter, 1 speed
- Service Factor = 1.15, Thermal Protection = Auto
- Resilient Base, Reversible, Ball Bearings, Class B insulation
- 1 Year Manufacture Warranty
Blower motors are used to blow air inside of buildings. Shaft may be vertical or horizontal. ODP = Open Drip Proof. 056C34D2106



















Reviews
There are no reviews yet.