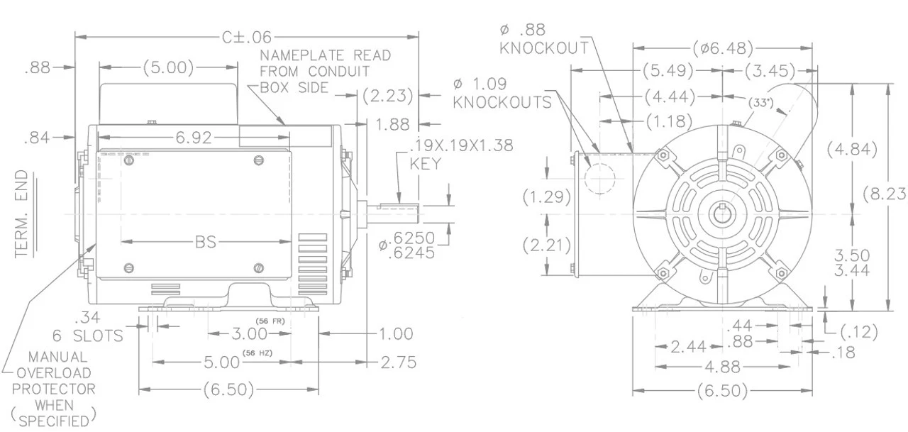
- 5 hp 3600 RPM, 20.0 amps, 230 Volts 60 Hz, Capacitor Start / Capacitor Run
- NEMA 56H Frame, Shaft 1 7/8″ x 5/8″ Diameter, 1 speed
- Service Factor = 1.15, Thermal Protection = Manual
- Rigid Base, Reversible rotation, Ball Bearings, Class B insulation
- 1 Year Manufacture Warranty
For use on air compressors found in pressure washer units. Shaft should be horizontal. ODP = Open Drip Proof. 056B34D5302



















Reviews
There are no reviews yet.