Above ground swimming pool and spa motor
- 1.5 HP 115/230 Volts 16.0/8.0 amps 60hz.
- 3450 RPM – SINGLE SPEED
- Auto Overload Protection
- Non-Reversible – CCW Facing the Shaft
- Stainless Steel Shaft
- Ball Bearings
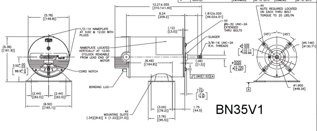
- 48Y Frame; Thru-Bolt mount -Rigid Base
- One Year Manufacture Warranty
These are called Thru-Bolt mount motors, as the pump mounts to the face of the motor with the motor thru bolts.
48Y frame motors thru bolt dimension is 5 1/8″ on center measured across the shaft. Shaft is 1/2″ diameter with threads on end.
Motor has flat-rigid base welded to motor case. Wiring connection diagram on motor name plate.
These motors are found on the Hayward Powerflo, Waterway, Aquaflo, Dynamo and many other above ground pool and spa pumps.
Replaces AO Smith/Century BN35, BN35SS, C48AA72A01
US Electric Motor Equivalent EZBN35
Dayton 6PWA4
















Reviews
There are no reviews yet.