- 200 Series AC Parallel Shaft Gear Motor – Subject to factory availability-email or call for availability
- Torque 139 inch pounds; Over Hung lbs. = 175
- Rotation = Reversible
- 1/15 hp, 139 RPM, 1.2/.63 amps, 115/230 VAC
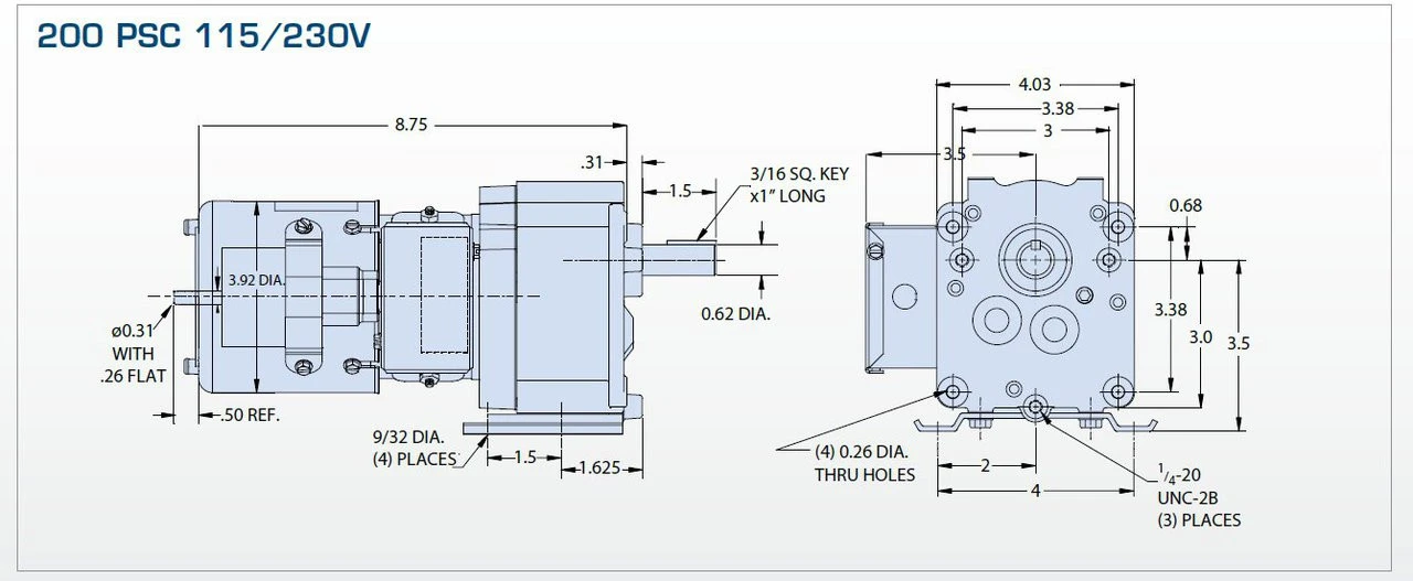
- TEFC Enclosure, Keyed Shaft, Ball Bearings
Motor Type: Permanent Split Capacitor. Gearhead Specifications: Precision machined die cast aluminum. Lubrication: Lifetime oil bath, sealed and gasketed. Shafts: Hardened steel. Mounting: Face (any angle) or footplate. Gearing: AGMA class 9 heat treated steel. 1st stage helical metal, balance spur metal. Bearings: Needle with thrust ball. Dayton Equivalent = 4Z523. One Year Manufacture Warranty. Opening motor voids the warranty.















Reviews
There are no reviews yet.