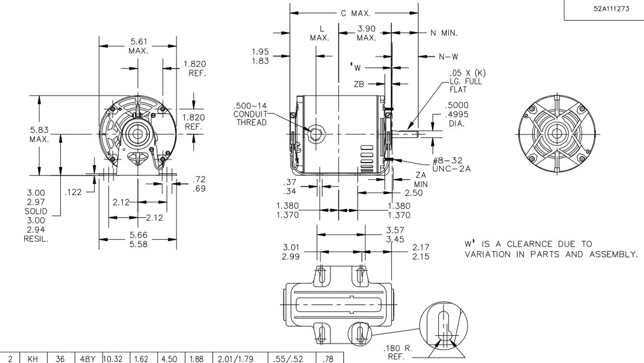
- 1/2 hp 1800 RPM, 7.5 amps, 115 Volts 60 Hz, Split Phase
- NEMA 48Y Frame flat Shaft 1 7/8″ x 1/2″ Diameter, 1 speed
- Service Factor = 1.25, Thermal Protection = None
- Resilient Base, Reversible, Ball Bearings, Class B insulation
- 1 Year Manufacture Warranty
Blower motors are used to blow air inside of buildings. Shaft may be vertical or horizontal. ODP = Open Drip Proof. 048S17D2058



















Reviews
There are no reviews yet.