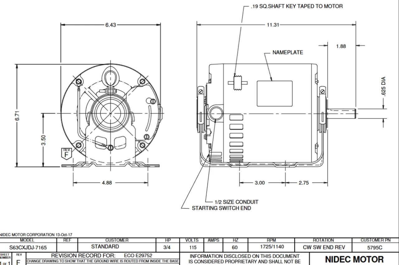
- 3/4 hp 1800 RPM (2 speed), 11.5/6.4 amps 115V Volts 60 Hz Split Phase Motor
- 5.6″ Dia. Frame, Rolled Steel, Flat Shaft 1/2″ Diameter x 1 1/2″
- Service Factor = 1.0, Overload Protection: Auto
- Resilient Base Mount, Ball Bearings, Class B Insulation, Rev
- 1 Year Manufacture Warranty
Belt Drive Fan Motor for central HVAC systems. Wiring diagram on motor name plate. ODP = Open Drip-Proof, S063JDJ7165724B















Reviews
There are no reviews yet.