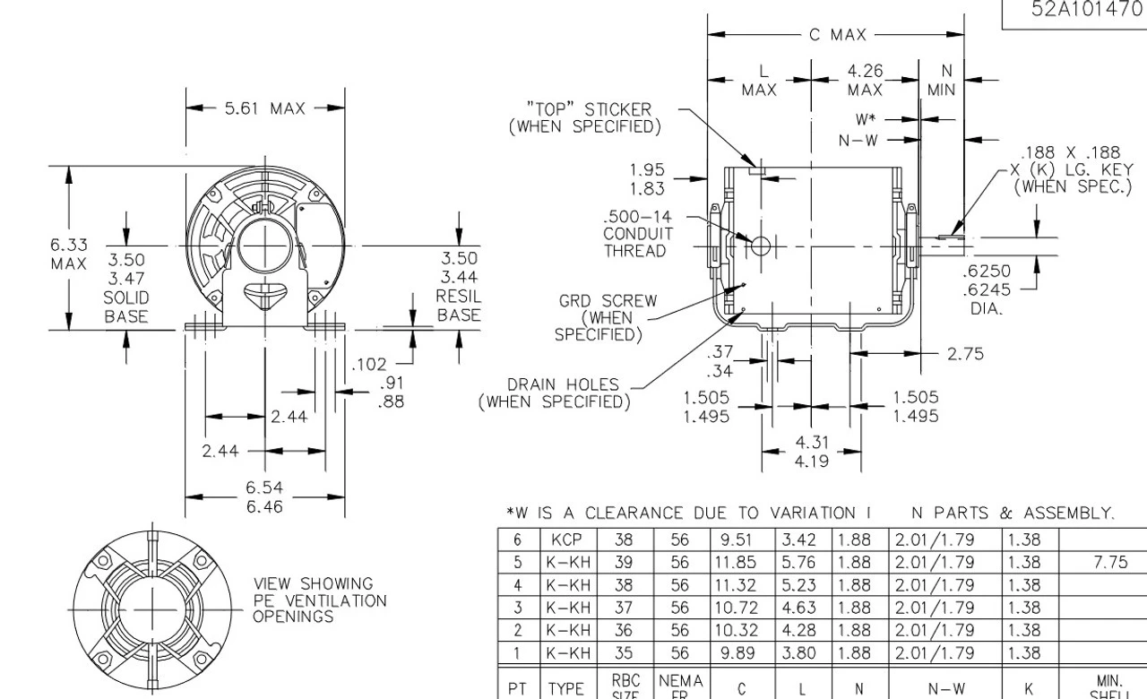
- 1/2 hp 1800 RPM, 7.9 amps, 115 Volts 60 Hz, Split Phase
- NEMA 56 Frame keyed Shaft 1 7/8″ x 5/8″ Diameter, 1 speed
- Service Factor = 1.25, Thermal Protection = Auto
- Resilient Base, Reversible, Ball Bearings, Class B insulation
- 1 Year Manufacture Warranty
Blower motors are used to blow air inside of buildings. Shaft may be vertical or horizontal. ODP = Open Drip Proof. 5KH39QN9405X



















Reviews
There are no reviews yet.